PP-104 量産ハメ込木目角 茶
| ブランド | BIDOOR(ビドー) |
|---|---|
| 材質 | ポリエチレン(難接着物) |
| カラー/仕上 | 茶 |
| 取付方法 | ハメ込み式 |
| 備考 | BIDOOR襖引手 使用上の注意等 (※必ずご覧ください) BIDOOR最新カタログ「ワトモス Ver.2」(PDF) |
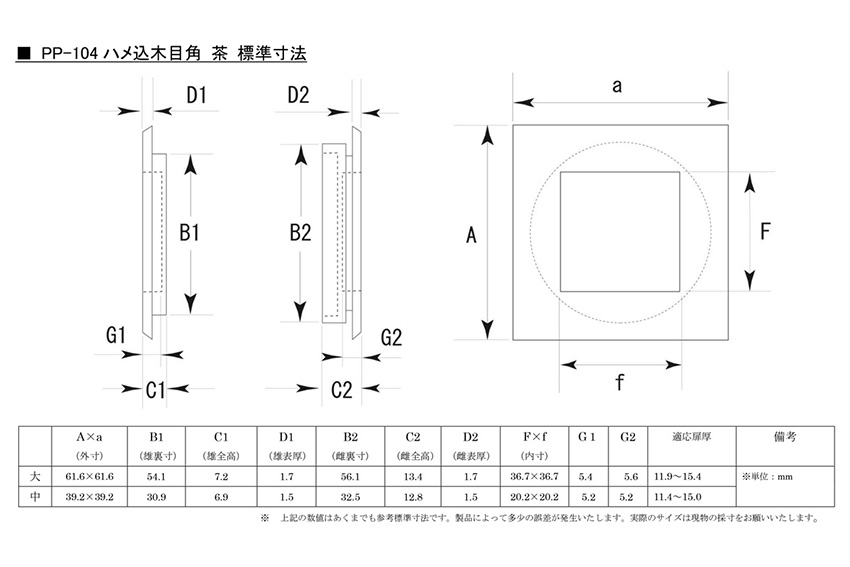
【※ご注文の際には必ず「全ての画像」「説明テキスト」「商品名(特にサイズ)」の確認をお願い致します。】
ハメ込み式、両面1組の襖引手。横引き用。対応戸厚は12〜14mm。
耐衝撃性樹脂ポリエチレン製。表面(オス)と裏面(メス)をはめ込んで引手穴に設置するだけのハメ込み式なので、短時間で誰にでも簡単に取り付けが可能です。また、破損しにくいので、襖の張り替えの際、そのまま使える可能性が高いというのも特長です。
【ご注意】
※表は正方形ですが、裏(掘込部分)は丸型です。
※ご注文確定前にサイズ名称や図面等を必ずご確認ください。
| 商品区分 | サイズ | 入数 | 品番CD | 価格(税抜) | バラ価格(税抜) | メディア |
|---|---|---|---|---|---|---|
| 即 納 | サイズ大 | 50 | 01-00308 | @ 230円 | @ 380円 | |
| 即 納 | サイズ中 | 50 | 01-00308 | @ 230円 | @ 380円 |
※「@」は、1商品あたりの価格を示しています

